สวัสดีครับแฟนเพจที่รักทุกๆ ท่านครับ
วันนี้ผมจะมาแนะนำวิธีและเคล็ดลับในการคำนวณง่ายๆ ให้แก่เพื่อนๆ นะครับ เผื่อจะมีประโยชน์ต่อการทำงานออกแบบของเพื่อนๆ นะครับ
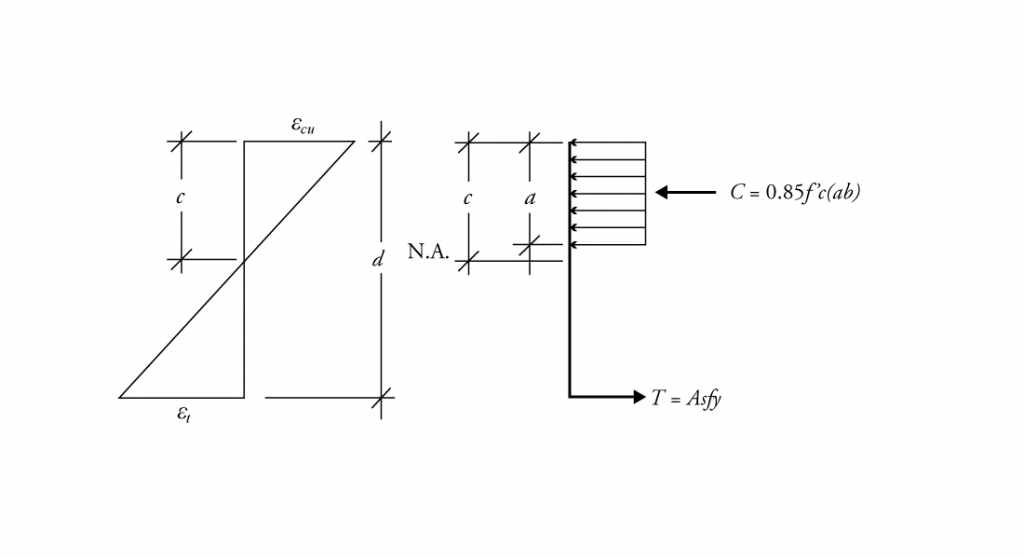
วันนี้หัวข้อที่ผมจะมาแนะนำก็คือ การประมาณการหาค่าปริมาณ พท หน้าตัดของเหล็กเสริมในหน้าตัดคาน คสล โดยวิธีกำลังนั่นเองครับ
วิธีนี้จะง่ายมากๆ ครับ เหมาะกับเมื่อเราต้องการที่จะหา หรือ ตรวจสอบปริมาณเหล็กเสริมในหน้าตัดคาน คสล แบบเร็วๆ นั่นเองครับ โดยเราสามารถหาค่า พท หน้าตัดเหล็กเสริมได้จากสมการง่ายๆ ดังนี้นะครับ
As approx. = Mu / (0.8 d fy)
มีข้อแม้ง่ายๆ ในการตรวจสอบค่าที่คำนวณได้จากสมการนี้นะครับก็คือ ตรวจสอบค่าอัตราส่วนการเสริมเหล็ก (P) แค่นั้นเองครับ ก็คือค่า
Pmin = 14/fy
โดยที่ค่า Pmax จะมีค่าประมาณ 4 เท่า จากค่า Pmin นี้ครับ
เราจะมาทดสอบสมการนี้จาก ตย ต่อไปนี้ครับ
คานหน้าตัด คสล ขนาดความกว้าง 300 มม ลึก 600 มม ต้องรับโมเมนต์ดัดประลัยเท่ากับ 15 T-m ใช้คอนกรีตที่มีค่ากำลังอัดประลัยของ ตย ทรงกระบอกมาตรฐานขนาด 150×300 มม เท่ากับ 280 ksc ใช้เหล็กเสริมที่มีค่ากำลังที่จุดครากเท่ากับ 4000 ksc
(1) คำนวณโดยการประมาณการนะครับ
Mu = 15 T-m
d = 0.9T = 0.9×60 = 54 ~ 55 cm
fy = 4000 ksc
Pmin = 14/fy = 14/4000 = 0.0035
Pmax = 4Pmin = 4×0.0035 = 0.014
As approx. = 15x1000x100/(0.8x55x4000) = 8.52 cm^(2)
P = 8.52/(30×55) = 0.0052
ดังนั้น Pmin < P < Pmax
หากเลือกใช้เหล็กขนาด DB20mm จะมีหน้าตัดเหล็กเสริมเท่ากับ 3.14 cm^(2) / 1 เส้น ดังนั้นจะต้องใช้ทั้งหมดเท่ากับ
nb = 8.52/3.14 = 2.71 ~ 3 เส้น
(2) คำนวณโดยวิธีโดยละเอียด
Mu = 15 T-m
d = 0.9T = 0.9×60 = 54 ~ 55 cm
fy = 4000 ksc
fc’ = 280 ksc ดังนั้นค่า Beta1 = 0.85
m = fy/(0.85fc’) = 4000/(0.85×280) = 16.81
Pmin = 14/fy = 14/4000 = 0.0035
Pmax = 0.5( 6120 Beta1)/[m(6120+fy)] = 0.5x6120x0.85 / [16.81(6120+4000)] = 0.0153
P exact = (1/16.81) {1 – SQRT[ 1-(2×16.81x15x1000x100) / (0.9x30x55^(2)x4000) ] } = 0.0048
As exact = 0.0048x30x55 = 7.92 cm^(2)
ดังนั้น Pmin < P < Pmax
หากเลือกใช้เหล็กขนาด DB20mm จะมีหน้าตัดเหล็กเสริมเท่ากับ 3.14 cm^(2) / 1 เส้น ดังนั้นจะต้องใช้ทั้งหมดเท่ากับ
nb = 7.92/3.14 = 2.52 ~ 3 เส้น
จะเห็นได้นะครับว่าการคำนวณโดยวิธีการโดยประมาณจะได้ค่า พท หน้าตัดของเหล็กเสริมที่ใกล้เคียงกับวิธีการโดยละเอียดมาก โดยจะมากกว่าอยู่เล็กน้อย ซึ่งถือว่าเป็นเรื่องดี เพราะเมื่อคำนวณโดยวิธีโดยประมาณคำตอบที่ควรจะได้ก็ควรที่จะมากกว่าความเป็นจริงอยุ่เล๋กน้อยก็ถือเป็นเรื่องดีแล้วนั่นเองครับ
ก็ขอย้ำเตือนกับเพื่อนๆ ว่าวิธีการที่ผมนำมาเล่าให้ฟังนี้เป็นแค่วิธีการโดยประมาณเท่านั้นนะครับ จะเหมาะต่อการนำไปใช้ก็ต่อเมื่อกรณีจำเป็นเท่านั้น เช่น เวลาที่จะทำการตรวจสอบเร็วๆ เป็นต้นครับ
หวังว่าความรู้เล็กๆ น้อยๆ ที่ผมได้นำมาฝากแก่เพื่อนๆ ทุกๆ ท่านในวันนี้จะมีประโยชน์ต่อทุกๆ ท่านไม่มากก็น้อย จนกว่าจะพบกันใหม่นะครับ
ADMIN JAMES DEAN


